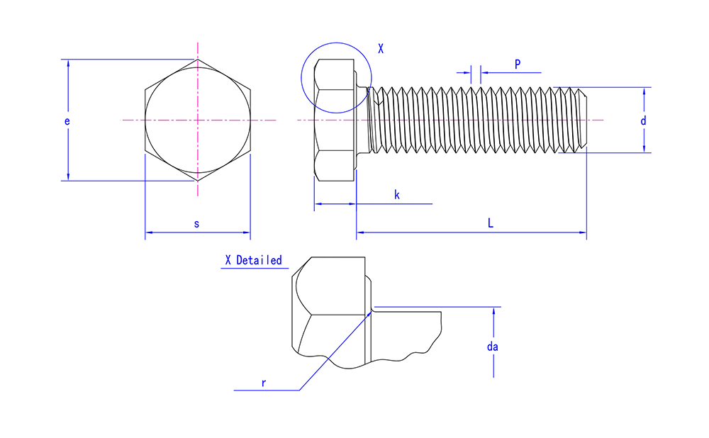
전체 나사산이 있는 DIN 933 스테인레스 스틸 육각 머리 볼트
| 머리 특징 | 완전 스레드 |
| 로드 특징 | 표준 육각형 머리 |
| 핵심 목적 | 높은 하중을 견딜 수 있는 견고한 연결에 사용됩니다. |
| 장점 및 특징 | 완전 나사형 디자인은 장거리에 적합한 더 강한 연결 강도를 제공합니다. 연결. |
| 일반적인 용도 | 중장비, 산업 장비, 자동차 산업, 기계류 연결, 및 건설시설. |
| 선택을 위한 주요 지표 | 볼트 길이, 직경, 전체 나사산, 재료 선택, 하중 용량. |
| 산업별 요구 사항 | 중장비: 큰 인장력과 전단력을 견디는 데 사용되며 강력한 고정 능력이 필요합니다. 건설 산업: 전체 스레드 접촉이 필요한 연결에 적합합니다. |















